Комплектные однотрансформаторные подстанции предназначены для электроснабжения промышленных предприятий, населенных пунктов, городских и районных электрических сетей, коттеджных поселков, объектов народного хозяйства, тепличных комплексов, предприятий нефтегазовой промышленности и энергосистемы. Они также используются для временного электроснабжения строящихся объектов.
КТП-100 кВА комплектуются всем перечнем оборудования, представленным на рынке РФ. По стороне 10(6) кВ: - ячейками КСО-366 на выключателях нагрузки ВНА По стороне 0,4 кВ: - низковольтными комплектными устройствами типа с применением автоматических выключателей и коммутирующей аппаратуры всех аккредитованных на рынке РФ производителей (DEKraft, , Hyundai, КЭАЗ, Контактор, Schneider Electric, ABB, Legrand и др.).
КТП-100 кВА киоскового типа предназначены для работы в следующих условиях: - высота над уровнем моря не более 1000 м, - температура окружающего воздуха от минус 45 С до плюс 40 С, - скорость ветра не более 36 м/с, - окружающая среда невзрывоопасная, не содержащая токопроводящей пыли, агрессивной пыли и паров в концентрациях, разрушающих металл и изоляцию.
Мощность силового трансформатора, кВА; 100
Номинальное напряжение на стороне высокого напряжения (ВН), кВ; 6, 10
Наибольшее рабочее напряжение на стороне ВН кВ; 7.2, 12
Номинальное напряжение на стороне низкого напряжения (НН), кВ ; 0,4
Номинальный ток на стороне ВН А; 400, 630
Номинальный ток на стороне НН А; 200
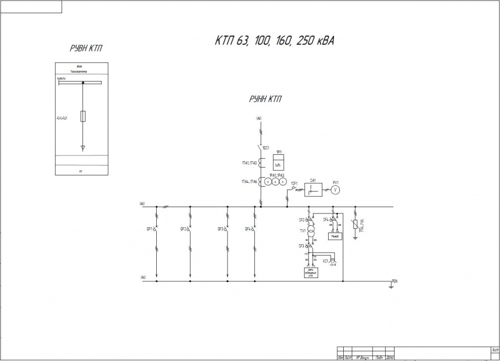
Количество отходящих линий РУНН, шт; До 12 линий
Ток термической стойкости сборных шин, кА/1с; 20
Ток электродинамической стойкости сборных шин, кА; 51
Номинальное напряжение вспомогательных цепей В
цепей переменного тока; 220
цепей освещения переменного тока; 24